Wymiennik ciepła z wężownicą fi 180 HITZE 7kW
Opis
Wymiennik ciepła z wężownicą fi 180 HITZE 7kW

Wymiennik ciepła to ekonomiczne rozwiązanie, które pozwala zaoszczędzić opał i zwiększyć efektywność pracy wkładu – montuje się jg na wylocie spalin, a jego zadaniem jest zwiększenie powierzchni oddawania ciepła odzyskanego z przewodu spalinowego.
Płaszcz wodny z wężownicą
- odzyskuje część energii cieplnej ze spalin,
- moc do 7 kW,
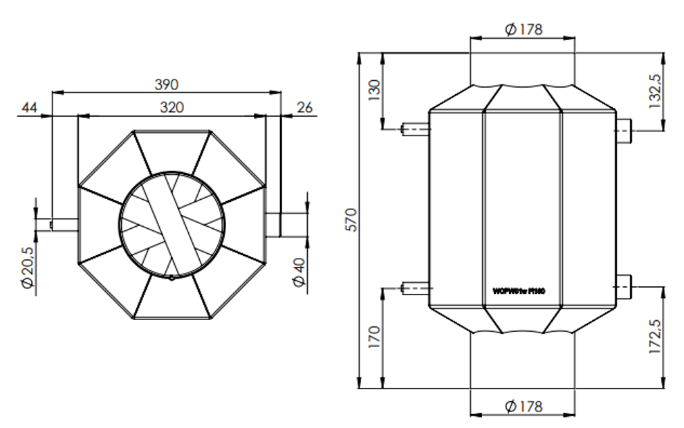
- średnica czopucha 180 mm,
- wykonany z wysokiej jakości stali kotłowej gatunku P265GH według EN 10028-2,
- podnosi efektywność wkładu przez zwiększenie powierzchni oddawania ciepła odzyskanego z przewodu spalinowego,
- zapewnia dodatkowe spożytkowanie energii, która standardowo niewykorzystana wydalana jest przez komin.
RYSUNEK TECHNICZNY

- Moc nominalna (kW) 7
- Sprawność cieplna (%) do 60
- Materiał stal kotłowa gatunku P265GH według EN 10028-2
- Waga (kg) 22,7
- Średnica czopucha (mm) 180
- Wysokość (mm) 570
- Pojemność wody (l) 18,1
- Szyber nie posiada
- Płaszcz wodny posiada
- Wężownica posiada
- Możliwość pracy w układzie zamkniętym nie
- Grubość materiału [mm] 4



Menu